1550nm Narrow Linewidth Laser Diode

Techwin’s 1550nm Narrow Linewidth Laser Diode is designed for ultra-narrow linewidth applications, utilizing Volume Bragg Grating (VBG) stabilization. This ensures high power, low noise, and a narrow linewidth, with a minimum linewidth achievable below 3kHz.

The laser is housed in a standard 14-PIN butterfly package and is available with single-mode or polarization-maintaining (PM) fiber, featuring an FC/APC connector output for good compatibility. This series of products is widely used in fiber optic sensing, laser radar, and other related fields.

Features
  • Ultra-Narrow Linewidth
  • Low Noise
  • Single Mode/Polarization Maintaining Fiber Output
  • Standard 14-PIN Butterfly Package
Applications
  • Fiber Optic Sensing
  • Laser Radar (LiDAR)
  • Optical Communication
  • Microwave Photonics

Parameters

ParametersMinTypMaxUnit
Output Power.10  mW
Center Wavelength 1550 nm
Lorentz Linewidth  3/5/30kHz
Side mode Suppression Ratio50  dB
Polarization extinction ratio20  dB
Relative intensity noise  -140dB/Hz
Optical isolation40  dB
Threshold current 40 mA
Operating Current  300mA
Operating Voltage  1.8V
TEC Temperature Setting15 35C
TEC Current  2.5A
TEC Voltage  4.8V
Thermistor Resistance @ 25℃ 10 
PD Operating Voltage -5 V
PD Current  2mA
PD dark current  1nA
Operating Temperature0 50
Storage Temperature-40 85

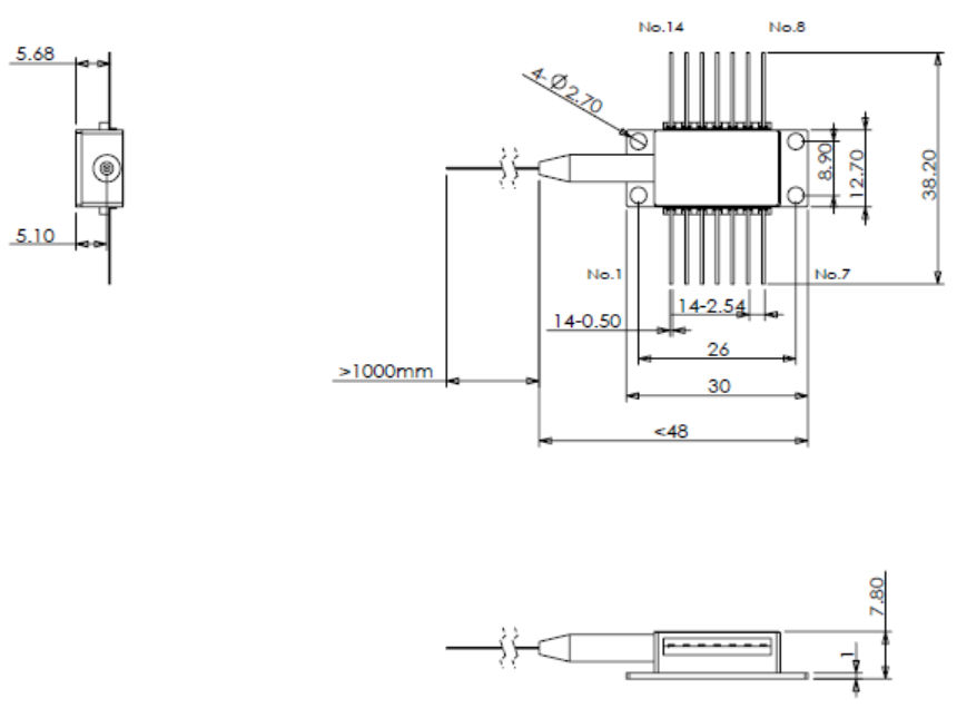
Mechanical Dimensions and PIN Definition:

dfghfg 2
PINDescriptionPINDescription
1Rt8NA
2Rt9NA
3LD(-)10N.A.
4PD(+)11LD(+)
5PD(-)12N.A.
6TEC(+)13N.A.
7TEC(-)14N.A.

Applications

Autonomous Driving

Autonomous Driving

Coherent Doppler LiDAR for Wind Sensing

Coherent Doppler LiDAR for Wind Sensing

3D Laser Scanning and Laser Ranging

3D Laser Scanning and Laser Ranging

Phase-sensitive Optical Time Domain Reflectometer (Φ-OTDR) sensing system

Phase-sensitive Optical Time Domain Reflectometer (Φ-OTDR) sensing system

Brillouin OTDR (BOTDR) Sensing System

Brillouin OTDR (BOTDR) Sensing System

Distributed Temperature Sensing (DTS) System

Distributed Temperature Sensing (DTS) System