1310nm SLD Light Source

Techwin 1310nm SLD light source is designed for applications such as Fiber Optic Gyroscopes (FOG), featuring a broad spectrum and low polarization. The laser utilizes a custom butterfly package with standard single-mode fiber output, ensuring good compatibility. This series of products is widely used in Fiber Optic Gyroscopes, Fiber Optic Sensing, and other related fields.

Key Features:
  • Low Polarization
  • Broad Spectrum
  • Butterfly Package (6PIN/8PIN Standard Package)
  • Single Mode/Polarization Maintaining Fiber Outpu
Applications
  • Fiber Optic Gyroscope (FOG)
  • Fiber Optic Sensing
  • Fiber Optic Communication

Parameters

ParametersMinTypMaxUnit
Output Power. 1 mW
Center Wavelength 1310 nm
Spectral Width(FWHM)40  nm
Ripple Factor  0.25dB
Polarization Degree  1.2dB
Operating Current 100 mA
Operating Voltage  1.3V
TEC Current  1.8A
TEC Voltage  3.4V
TEC Maximum Power  3.3W
Thermistor Resistance @ 25℃ 10 
Operating Temperature-40 70
Storage Temperature-40 85
Fiber TypeSM/PM Optional   

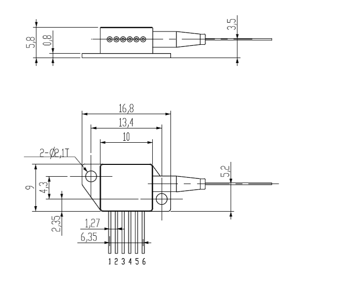
Mechanical Dimensions and PIN Definition:

pindata
PINDescriptionPINDescription
1TEC(+)8SLD(-)
2Rt9NA
3Rt10N.A.
4SLD(+)11TEC(-)
edrrrr
PINDescriptionPINDescription
1SLD(+)8Rt
2SLD(-)9TEC(-)
3Rt10TEC(+)

Techwin is known as an expert company in developing and manufacturing of fiber lasers, fiber amplifiers and fiber sources. We also strive to provide our customers with custom fiber laser solutions suited for your applications. All of our high-power fiber lasers and amplifiers are manufactured following a rigorous quality management system. We are more than happy to share our laser technology with worldwide customers, and committed to earn the ongoing trust of our customers with our industrial fiber lasers coupled with expert support and service in various industrial segments.

Applications

Autonomous Driving

Autonomous Driving

Coherent Doppler LiDAR for Wind Sensing

Coherent Doppler LiDAR for Wind Sensing

3D Laser Scanning and Laser Ranging

3D Laser Scanning and Laser Ranging

Phase-sensitive Optical Time Domain Reflectometer (Φ-OTDR) sensing system

Phase-sensitive Optical Time Domain Reflectometer (Φ-OTDR) sensing system

Brillouin OTDR (BOTDR) Sensing System

Brillouin OTDR (BOTDR) Sensing System

Distributed Temperature Sensing (DTS) System

Distributed Temperature Sensing (DTS) System